06/07/2012
Kit per l’utilizzo di polveri e granulare
Fino ad oggi avete utilizzato il vostro atomizzatore Cifarelli per effettuare trattamenti con prodotti diluiti con acqua (o comunque soluzioni liquide); probabilmente siete a conoscenza che la vostra macchina, equipaggiata con un accessorio, può funzionare anche con le polveri (ad esempio zolfo ventilato). Però forse molti di voi non sanno che questo kit (codice riferimento 0G27200) idoneo per il trattamento con le polveri, può essere utilizzato anche con prodotti granulari, come fertilizzanti o per seminare (per esempio riso).

La Cifarelli s.p.a., per soddisfare le richieste dei propri clienti che richiedevano la possibilità di distribuire prodotti granulari, da circa tre anni ha modificato il dispositivo per la distribuzione di polveri, rendendolo efficace anche con i fertilizzanti in grani (aventi la dimensione massima di 4 o 5 millimetri).

Come trasformo il mio atomizzatore per adattarlo al trattamento con polveri e granulari? Il procedimento è complicato?
Per montare il kit nel vostro atomizzatore sono necessari 5 minuti, seguendo le istruzioni allegate; qui di seguito vi illustro le operazioni da effettuare:

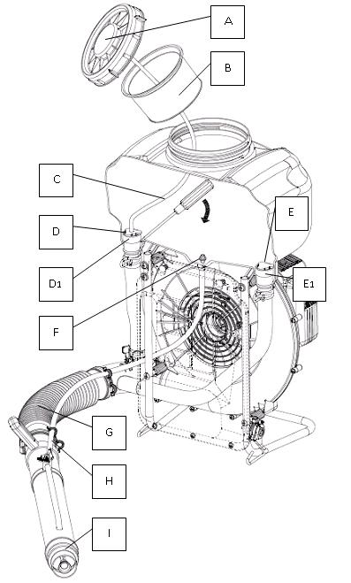
Svitate il tappo (A) e svuotate il serbatoio liquidi pulendolo ed asciugandolo bene da eventuali residui di liquido.
Rimuovete il setaccio (B) dal serbatoio ed il tubo (C) collegato; rimuovete anche i due tappi (D ed E); se presenti, rimuovete le due boccole ad anello (D1 ed E1) attorno alle boccole laterali, facendo leva con un cacciavite a taglio sotto agli anelli.
Inserite nel foro di uscita dei liquidi il tappo (F) che è in dotazione con il kit.
Distaccate il tubo (H) dal rubinetto e tirate il diffusore (I) con ugello, rimuovendoli dal tubo.
Smontate il tubo flessibile nero (G), per poter accedere al gomito.
Tutte le parti che avete rimosso devono essere conservate per poter riconvertire il vostro atomizzatore in funzionamento con liquidi.
Se il vostro atomizzatore è dotato di pompa di spinta e/o riempimento (modello PSA, PRA o PSRA), chiudete con la parte più profonda del tappo nero (L) la boccola di ottone (L1) presente all’interno del serbatoio liquidi.

Prendete il tubo bianco (N) ed inseritelo fino in fondo nella boccola del serbatoio, e fate così anche per il raccordo curvo di uscita nero (M) dal lato opposto. Fate attenzione che il tubo (N) sia inserito nel raccordo curvo di uscita, come mostrato in figura.


Inserite il tubetto con paletta (Q) nel gomito (P) come nella sequenza (1-2-3). Per chiudere la paletta utilizzate le levette (R).
Rimontate il tubo flessibile nero (G) ed il tubo lancio rosso sul gomito (P) e stringete le fascette.
.jpg)
Il vostro atomizzatore è pronto per funzionare con prodotti in polveri e/o granuli.
Prima di riempire il serbatoio, verificate che il prodotto sia perfettamente asciutto e che sia privo di grumi, i quali bloccherebbero l’uscita.
Durante l’utilizzo è possibile regolare il flusso: utilizzando la levetta (T) spostandola a destra o a sinistra si modifica la quantità di prodotto erogata.
In ultimo vi raccomando di non utilizzare zolfo puro per i trattamenti in quanto è altamente infiammabile. Utilizzate lo zolfo ventilato mischiandolo con un 10% di calce o polvere caffaro.
Inoltre durante il trattamento con le polveri è obbligatorio utilizzare la catena (cod.0G.190.00) poiché in ambienti particolarmente secchi alcune parti della macchina possono caricarsi elettrostaticamente trasmettendo all’operatore tali cariche. Con la catena si evita l’inconveniente.
Ricordate: senza catena e con zolfo puro vi è un forte pericolo di incendio.